WHAT'S NEW
新闻资讯
电话:19812355311
地址:乐清市宋湖工业园9号
行业新闻
南牌照明-干煤棚专用LED灯,干煤棚专用LED防爆灯,
2020-06-193425人浏览
南牌照明-干煤棚专用LED灯,干煤棚专用LED防爆灯,
说道干煤棚照明,首先我们要了解干煤棚建筑的特点。干煤棚是火电厂中存储煤的一种大型库房。干煤棚结构要求跨度大、净空高,满足存储和作业空间。干煤棚结构的长度和宽度是根据装机容量的需要来确定的,而其结构的高度则由堆煤和斗轮机的作业要求来确定。因此,干煤棚结构的特点是跨度大、高度高、且覆盖面积广。根据安装环境不同,我们可以选用防爆灯,或者专业的照明灯具。
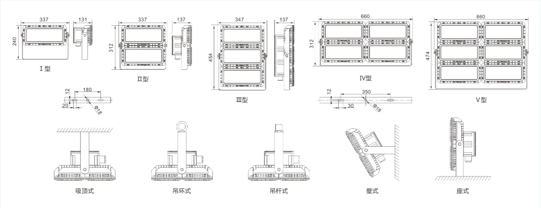
南牌照明-RBFL172-LED防爆投光灯/LED防爆泛光灯
一、干煤棚LED防爆灯-RFBL172应用范围:
适用于爆炸性气体环境1区、2区;适用于可燃性粉尘环境21区、22区;
适用于ⅡA、ⅡB、ⅡC级爆炸性气体环境;
适用于温度组别为T1~T6的环境;
适用于电力、铁路、石油采炼、储存、化工、医药、纺织、军工及军事设施等爆炸性危险环境;
用作室内外作业、活动等照明使用。
适用于煤炭、洗煤厂、干煤棚、油田、石化、钻井、发电站、化工企业等易燃易爆的危险场所;
适用于防护要求较高、潮湿的场所;
适用于节能改造项目及检修更换困难的场所。
二、干煤棚LED防爆灯-RFBL172技术参数
执行标准:GB3836.1、GB3836.2、GB3836.3、GB3836.9、GB12476.1、GB12476.5防爆标志:Ex de mb ⅡC T6 Gb/Ex tD A21 IP66 T80℃
输入电压:AC220V(适用范围:AC90~305V)
输入频率:50/60Hz(适用范围:47~63Hz)
光源类型:LED
光源功率:LED防爆灯100W,LED防爆灯150W,LED防爆灯200W,LED防爆灯250W,LED防爆灯300W,LED防爆灯400W,LED防爆灯450W,LED防爆灯500W,LED防爆灯600W,LED防爆灯700W,LED防爆灯800W,LED防爆灯1000W.
绝缘等级:I
功率因数:>0.95
防护等级:IP66
防腐等级:WF2
重 量:单模组5.5KG
引入口规格:G3/4
适用电缆规格:Φ9mm~Φ14mm
三、干煤棚LED防爆灯-RFBL172产品特点
RFBL712-LED防爆泛光灯采用高强度铝合金压铸壳体,经抛丸后,高压静电粉末喷涂处理,耐腐等级达WF2;特制恒流电源、高效、低功耗、输出功率恒定,并具有开路、短路、防雷、过热保护及抗干扰电网设计等功能,能有效的保证LED光源可靠工作;
RFBL172-LED防爆投光灯灯具采用一体化设计,并实现光源腔和电源腔两腔分离式设计结构,光源腔和电源腔完全隔离,中间采用特殊的通风散热结构,
确保光源与电源产生的热量能迅速的散发出去,有效的延长LED和驱动电源的使用寿命;
透明罩采用高强度钢化玻璃,具有耐高温、耐剧热变等特性;
防爆性能安全可靠,满足IIC级防爆要求;
灯具各结合面均设置了良好的密封结构,密封圈均采用硅橡胶材料,耐高温、抗老化,外壳体防护等级达IP66;
精准的配光设计,光斑均匀,灯具的效率大于85%,节能环保;
灯具有应急型配置,应急时间长达60min,充分满足工作现场应急照明需求;
外形美观,有多种安装方式供选择。
四、干煤棚LED防爆灯-RFBL172安装方式

南牌照明电器致力于打造低碳照明,节能的理念,我们一直致力于开发新一代的低功耗产品,为客户提供新一代的绿色照明产品。……
南牌照明电器致力于打造低碳照明,节能的理念,我们一直致力于开发新一代的低功耗产品,为客户提供新一代的绿色照明产品。……
公司产品广泛应用于电力、煤炭、石油、化工、铁路、大型场馆、消防、部队、防汛等行业。……
通过自主研发的交流,并与国内外同行合作,利用节能照明技术,结合高效的光源,研发生产了一系列高效照明产品,节能效果已经达到了较高水平,力争使节能减排做积极的贡献
作为有实力的合作伙伴在防爆电气设备。我们的客户,通过我们的经验协助,避免潜在的麻烦,您可以通过电子邮件,电话和传真,方便和容易获得。很高兴为您服务!
南牌照明电器坚持"以人为本"的人才理念,规范人力资源管理,“激励与分享”是人力资源管理的核心,公司不断探索现代企业的薪酬福利制度,建立健全培训体系……
地图导航,方便您的来访……








